Gewindebolzen

/onecol/cms/130/gewindebolzen.jpg
/onecol/cms/131/Ket_Kratzbefest_20x56_Gewindebolzen.jpg

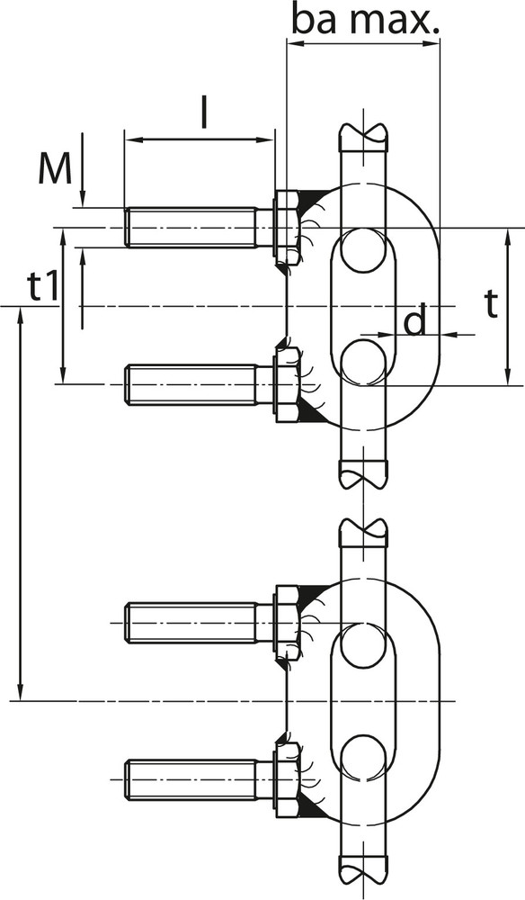
Gewindebolzen in Verbindung mit langen Kettensträngen. Becherabstand und Bolzen ø nach Kundenwunsch. Vorhandene Becher und Antriebs- und Umlenkräder können weiter verwendet werden.
KU-Steckmitnehmer werden auf Wunsch auch mit Kopfplatte einschl. Gewindebohrungen geliefert.

Nenndicke x Teilung mm t mm l mm M mm
19 x 75
80
55
20
16 x 64
91
55
24
Für Kettenstränge KU 350, KU 400 und KU 250, KU 210. Mit verzahnten Antriebsrädern und Umlenkrollen mit Bordscheiben für Hochleistungsbecherwerke. KU-Schweißlaschen aus C45, Bohrungen induktiv gehärtet. Bolzen aus MnCr-legiertem Einsatzstahl mit Spannhülsen zur Sicherung.