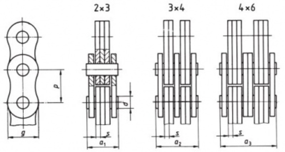
| p | d min. | g max. | s | a3 max. | number of breaking load kN | links 2x3 bearing area cm² | ~ weight kg/m |
|
12,70
|
5,12
|
12,1
|
2,0
|
13,1
|
22,2
|
0,30
|
0,8
|
|
15,875
|
5,98
|
15,1
|
2,4
|
15,3
|
33,4
|
0,43
|
1,1
|
|
19,05
|
7,96
|
18,1
|
3,2
|
20,7
|
48,9
|
0,76
|
1,8
|
|
25,40
|
9,56
|
24,1
|
3,9
|
25,4
|
84,5
|
1,11
|
2,7
|
|
31,75
|
11,14
|
30,2
|
4,7
|
30,3
|
115,6
|
1,56
|
4,3
|
|
38,10
|
12,74
|
36,2
|
5,5
|
35,4
|
151,2
|
2,10
|
5,8
|
|
44,45
|
14,31
|
42,2
|
6,3
|
40,1
|
191,3
|
2,70
|
7,6
|
|
50,80
|
17,49
|
48,3
|
7,1
|
46,5
|
289,1
|
3,72
|
10,0
|
|
63,50
|
23,84
|
60,3
|
9,5
|
61,7
|
433,7
|
6,78
|
19,8
|
| p | d min. | g max. | s | a3 max. | number of breaking load kN | links 3x4 bearing area cm² | ~ weight kg/m |
|
12,70
|
5,12
|
12,1
|
2,0
|
17,4
|
33,3
|
0,41
|
1,12
|
|
15,875
|
5,98
|
15,1
|
2,4
|
20,3
|
50,1
|
0,57
|
1,5
|
|
19,05
|
7,96
|
18,1
|
3,2
|
27,4
|
73,4
|
1,01
|
2,5
|
|
25,40
|
9,56
|
24,1
|
3,9
|
33,7
|
126,8
|
1,49
|
3,8
|
|
31,75
|
11,14
|
30,2
|
4,7
|
40,2
|
173,4
|
2,09
|
6,0
|
|
38,10
|
12,74
|
36,2
|
5,5
|
47,0
|
226,8
|
2,79
|
8,1
|
|
44,45
|
14,31
|
42,2
|
6,3
|
53,3
|
287,0
|
3,60
|
10,6
|
|
50,80
|
17,49
|
48,3
|
7,1
|
61,7
|
433,7
|
4,96
|
14,0
|
|
63,50
|
23,84
|
60,3
|
9,5
|
81,6
|
650,6
|
9,05
|
27,7
|
| p | d min. | g max. | s | a3 max. | number of breaking load kN | links 4x6 bearing area cm² | ~ weight kg/m |
|
12,70
|
5,12
|
12,1
|
2,0
|
23,8
|
44,4
|
0,61
|
1,6
|
|
15,875
|
5,98
|
15,1
|
2,4
|
27,7
|
66,8
|
0,86
|
2,2
|
|
19,05
|
7,96
|
18,1
|
3,2
|
37,4
|
97,8
|
1,52
|
3,6
|
|
25,40
|
9,56
|
24,1
|
3,9
|
46,1
|
169,0
|
2,23
|
5,4
|
|
31,75
|
11,14
|
30,2
|
4,7
|
55,0
|
231,2
|
3,13
|
8,6
|
|
38,10
|
12,74
|
36,2
|
5,5
|
64,5
|
302,4
|
4,19
|
11,6
|
|
44,45
|
14,31
|
42,2
|
6,3
|
73,1
|
382,6
|
5,40
|
15,2
|
|
50,80
|
17,49
|
48,3
|
7,1
|
84,4
|
578,2
|
7,44
|
20,0
|
|
63,50
|
23,84
|
60,3
|
9,5
|
111,4
|
867,4
|
13,57
|
39,5
|