KU-Rostfreie-Anschlagketten Güteklasse 5 im Baukastensystem:
hohe Tragfähigkeiten, selbst zu montieren (Flexibilität!), alle Bauteile 100% aus rostfreiem-Material
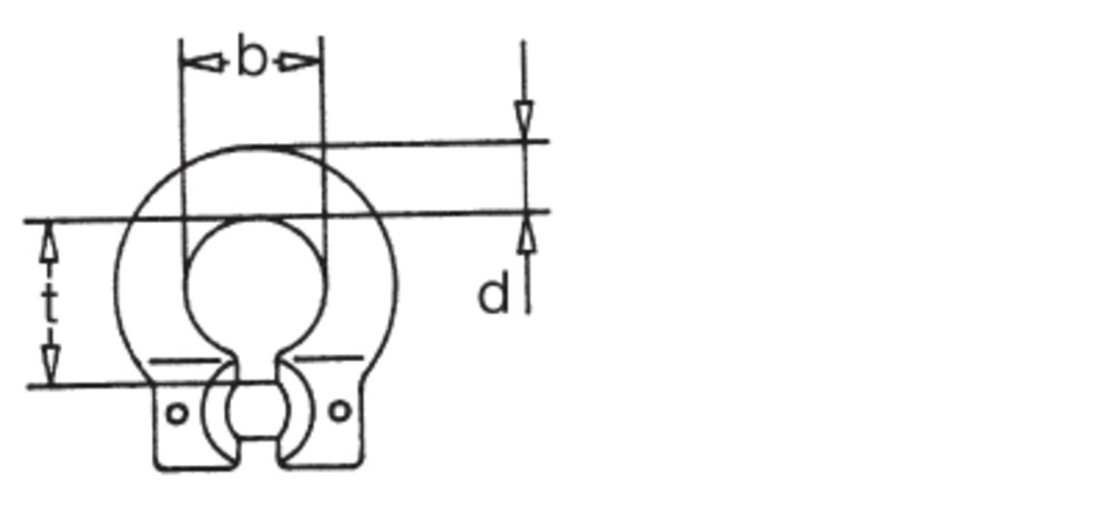
| Nenngröße | Trgafähigkeit in kg | ca. Gewicht in kg/St./m | d mm | t mm | b mm | Artikel Nr. |
|
6 - 5
|
750
|
0,15
|
14
|
26
|
21
|
17506001
|
|
8 - 5
|
1.250
|
0,25
|
15
|
30
|
24
|
17508001
|
|
10 - 5
|
2.000
|
0,40
|
18
|
40
|
28
|
17510001
|
|
13 - 5
|
3.200
|
0,50
|
19
|
44
|
34
|
17513001
|
|
16 - 5
|
5.000
|
1,15
|
25
|
50
|
39
|
17516001
|