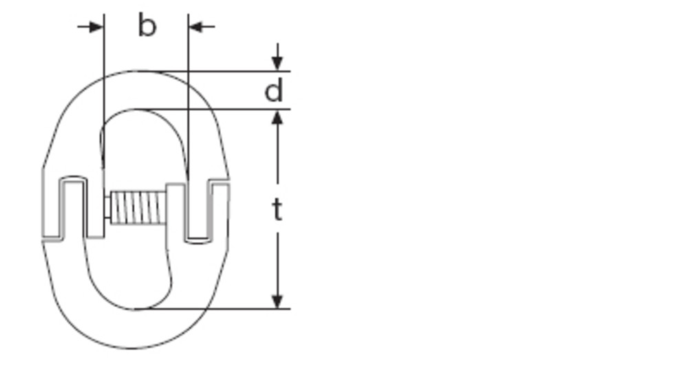
| Nenngröße | Tragfähigkeit kg | Gewicht kg/pce | d mm | t mm | b mm |
|
6 - 8
|
1.500
|
0,07
|
7,6
|
47,5
|
15,5
|
|
7/8 - 8
|
2.000
|
0,16
|
11
|
54
|
19
|
|
10 - 8
|
3.150
|
0,32
|
13,75
|
68
|
25
|
|
13 - 8
|
5.300
|
0,62
|
17,30
|
83,5
|
30,3
|
|
16 - 8
|
8.000
|
1,22
|
21
|
103,5
|
36
|
|
18/20 - 8
|
12.500
|
2,05
|
25
|
138
|
55
|
|
22 - 8
|
15.000
|
3,30
|
29
|
163
|
55
|
|
26 - 8
|
21.200
|
5,00
|
34
|
182
|
66
|
|
32 - 8
|
31.500
|
9,70
|
40
|
202
|
63
|