KU-Rostfreie-Anschlagketten Güteklasse 5 im Baukastensystem:
hohe Tragfähigkeiten, selbst zu montieren (Flexibilität!), alle Bauteile 100% aus rostfreiem-Material
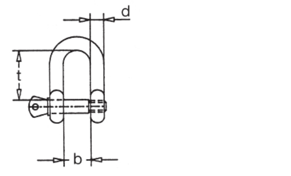
| Nenngröße | Trgafähigkeit in kg | ca. Gewicht in kg/St./m | d mm | t mm | b mm | Artikel Nr. |
|
6 - 5
|
750
|
0,10
|
10
|
35
|
20
|
17506002
|
|
8 - 5
|
1.250
|
0,20
|
12
|
42
|
25
|
17508002
|
|
10 - 5
|
2.000
|
0,40
|
16
|
64
|
32
|
17510002
|
|
13 - 5
|
3.200
|
0.75
|
19
|
76
|
38
|
17513002
|
|
16 - 5
|
5.000
|
1,15
|
25
|
85
|
53
|
17516002
|