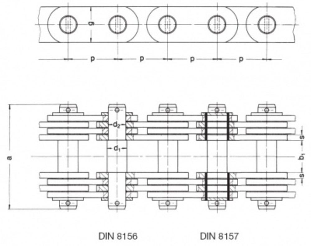
| p | b1 min. | d1 max. | d2 max. | a max. | g max. | s max. | Splitpin DIN 94 | breaking load kN | bearing area cm² | ~ weight kg/m | data for application as drag chain kN |
|
30
|
20
|
11
|
9
|
60
|
20
|
3,5
|
2,5 x 16
|
30
|
1,1
|
4
|
5
|
|
50
|
25
|
14
|
12
|
71
|
30
|
3,5
|
3,2 x 20
|
60
|
1,5
|
5,5
|
10
|
|
60
|
35
|
22
|
20
|
103
|
40
|
5,5
|
5 x 32
|
190
|
4
|
14
|
31,5
|
|
70
|
45
|
28
|
25
|
143
|
50 (60)
|
8,5
|
6,3 x 36
|
380
|
8
|
27 (35)
|
63 (76)
|
|
90
|
60
|
36
|
32
|
183
|
60 (70)
|
10,5
|
8 x 50
|
600
|
13
|
42 (50)
|
100 (120)
|
|
110
|
70
|
45
|
40
|
211
|
80 (90)
|
12,5
|
8 x 56
|
960
|
19
|
68 (75)
|
160 (192)
|
|
120
|
80
|
50
|
45
|
248
|
80 (90)
|
15,5
|
10 x 63
|
1.200
|
27
|
83 (93)
|
200 (240)
|
|
160
|
100
|
60
|
55
|
320
|
100 (110)
|
20,5
|
10 x 71
|
1.900
|
44
|
130 (140)
|
315 (380)
|
|
180
|
120
|
80
|
70
|
385
|
130 (140)
|
26
|
13 x 90
|
3.000
|
70
|
220 (250)
|
500 (600)
|
|
240
|
140
|
90
|
80
|
456
|
160 (180)
|
31
|
13 x 100
|
4.800
|
96
|
305 (345)
|
800 (960)
|
|
280
|
160
|
110
|
100
|
481
|
200 (220)
|
31
|
13 x 125
|
6.000
|
120
|
395 (435)
|
1.000 (1.200)
|